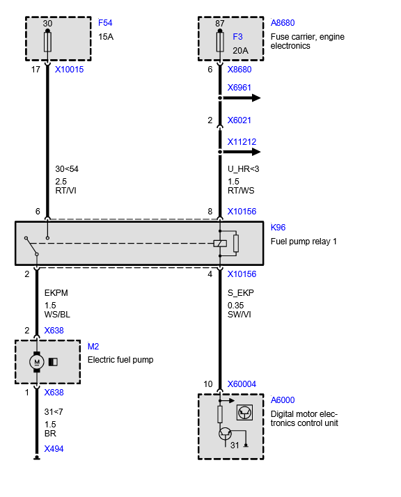
So on my E46 it's turbocharged with s54 in a non-M. On my DME I am using x60004 pin 10 for fuel pump output. That wire goes to the fuel pump relay in my car which is behind a glove box.
Of course when you turn the key on the fuel pump primes and then it shuts off and it won't turn back on until you actually start the engine which I assume is the DME controls that.. I assume that the DME sends a prime signal via pin 10 for priming and then turns off until you start the engine where it sends a constant signal. Could be wrong though.
Currently Pin 10 always has 12 volts.
I wired up my scavenge pump with a 4 pin relay and it's wired directly to the battery and grounded and I'm using the trigger wire going to pin 10.
Of course when I turn the ignition on the fuel pump and the scavenge pump both come on but they both constantly stay running if I unplug the scavenge pump trigger wire, about the scavenge pump and the fuel pump both shut off.
Trying to figure out why just adding a trigger wire to the fuel pump pin 10 signal wire is energizing the fuel pump.
Where am I supposed to get a proper fuel pump trigger signal that primes only on ignition two and shuts off and turns back on when the engine is running?
Should I instead just use the power wire coming off the relay that goes to the fuel pump instead?
Of course when you turn the key on the fuel pump primes and then it shuts off and it won't turn back on until you actually start the engine which I assume is the DME controls that.. I assume that the DME sends a prime signal via pin 10 for priming and then turns off until you start the engine where it sends a constant signal. Could be wrong though.
Currently Pin 10 always has 12 volts.
I wired up my scavenge pump with a 4 pin relay and it's wired directly to the battery and grounded and I'm using the trigger wire going to pin 10.
Of course when I turn the ignition on the fuel pump and the scavenge pump both come on but they both constantly stay running if I unplug the scavenge pump trigger wire, about the scavenge pump and the fuel pump both shut off.
Trying to figure out why just adding a trigger wire to the fuel pump pin 10 signal wire is energizing the fuel pump.
Where am I supposed to get a proper fuel pump trigger signal that primes only on ignition two and shuts off and turns back on when the engine is running?
Should I instead just use the power wire coming off the relay that goes to the fuel pump instead?

Comment