Originally posted by ChapterM3
View Post
Announcement
Collapse
No announcement yet.
e46 M3 Community-designed CAD files Master List
Collapse
This is a sticky topic.
X
X
-
Absolutely - it would be great to add to the list!Originally posted by Stilt View PostI made this last month; I didn't want to buy one, so I made it in Fusion360 and was planning to cut it out with a laser. I can share it if there is interest. It was made to work with a Spal 2049.
I'm also working on another one that won't require drilling into the radiator.
Sent from my iPhone using Tapatalk2005 ///M3 SMG Coupe Silbergrau Metallic/CSL bucket seats/CSL airbox/CSL console/6 point RACP brace/Apex ARC-8s
Build Thread: https://nam3forum.com/forums/forum/m...e46-m3-journal
Comment
-
That is great to know about thank you - as more OE parts become NLA it's great to be aware of any and all alternatives to sourcing parts!Originally posted by jayjaya29 View PostNo affiliation but this place has a ton of E46 replacement parts:
https://octoclassic.com/product-category/bmw/e462005 ///M3 SMG Coupe Silbergrau Metallic/CSL bucket seats/CSL airbox/CSL console/6 point RACP brace/Apex ARC-8s
Build Thread: https://nam3forum.com/forums/forum/m...e46-m3-journal
Comment
-
Here's V2 of the CSL airbox bushing. Basically the same as before, just added a base to keep the engine vibrations from making it ride up the peg.2002 Topasblau M3 - Coupe - 6MT - Karbonius CSL Airbox - SSV1 - HJS - Mullet Tune - MK60 Swap - E86 Front Triangulation - ZCP Rack - Nogaros - AutoSolutions - 996 Brembos - Slon - CMP - VinceBar - Koni - Eibach - BlueBus - Journal
2012 Alpinweiss 128i - Coupe - 6AT - Slicktop - Manual Seats - Daily - Journal
- Likes 2
Comment
-
thanks - updated!Originally posted by heinzboehmer View PostHere's V2 of the CSL airbox bushing. Basically the same as before, just added a base to keep the engine vibrations from making it ride up the peg.2005 ///M3 SMG Coupe Silbergrau Metallic/CSL bucket seats/CSL airbox/CSL console/6 point RACP brace/Apex ARC-8s
Build Thread: https://nam3forum.com/forums/forum/m...e46-m3-journal
- Likes 1
Comment
-
Wrong kind of engineer for this, so don't laugh at my CAD skills, but phone mount available here in case anyone wants to print it out for themselves: https://cad.onshape.com/documents/aa...abcccfec208abd
More details here: https://nam3forum.com/forums/forum/m...560#post2745602002 Topasblau M3 - Coupe - 6MT - Karbonius CSL Airbox - SSV1 - HJS - Mullet Tune - MK60 Swap - E86 Front Triangulation - ZCP Rack - Nogaros - AutoSolutions - 996 Brembos - Slon - CMP - VinceBar - Koni - Eibach - BlueBus - Journal
2012 Alpinweiss 128i - Coupe - 6AT - Slicktop - Manual Seats - Daily - Journal
Comment
-
Is there an app for iOS that people have been using to scan this? Or does this need to be made from scratch using some CAD software?Originally posted by discoelk View Post
It's modeled well but the few things that I've used it for required dimensional changes.
Inlet grill is easy but you need an OEM one to copy or a bumper to design from.
Comment
-
There probably is but it looks so geometric that it would be easier to model from scratch than to clean up a scan. I'll shoot you a PM. I'm local-ish and have all the hardware/software needed.Originally posted by ugaexploder View Post2003.5 SG/Grey
https://www.talcottmfg.com/blog
- Likes 2
Comment
-
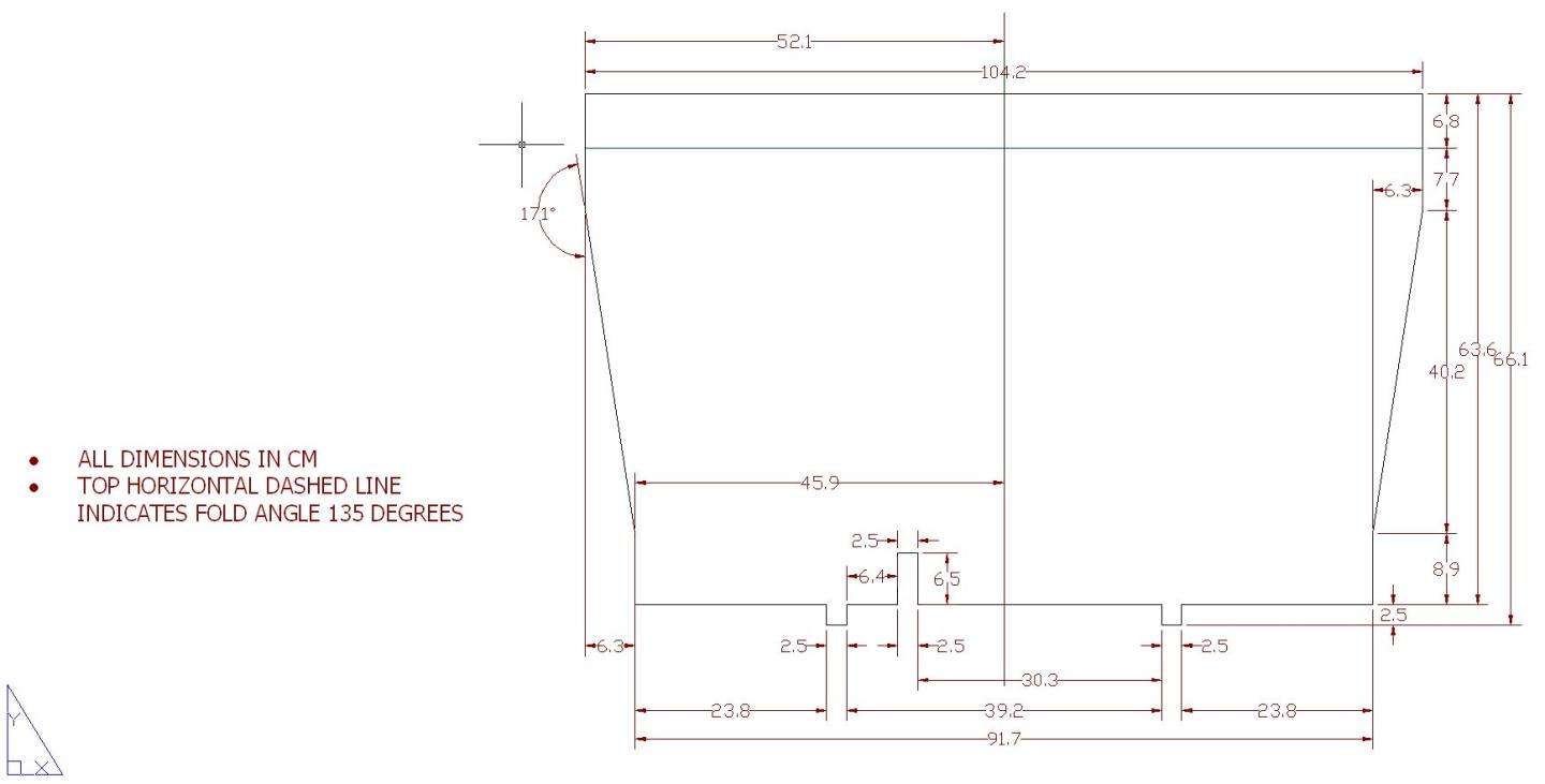
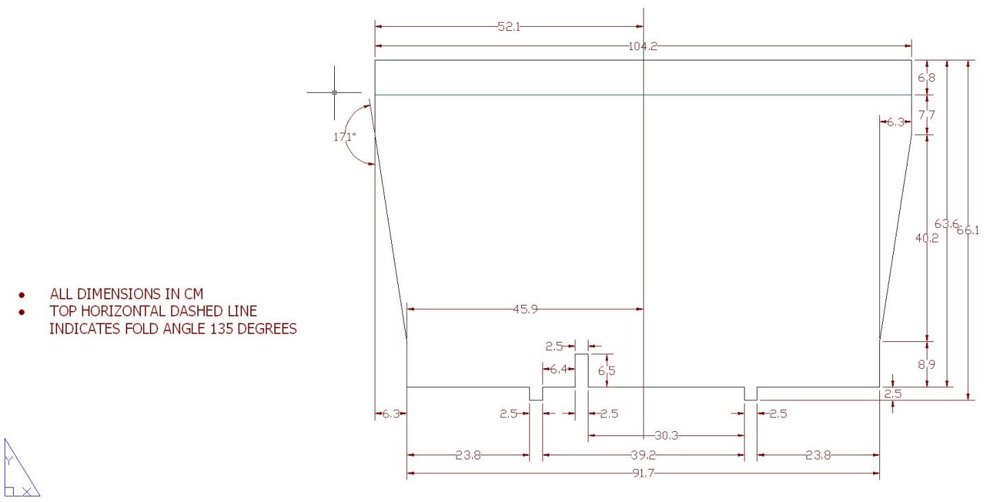
Hi guys,
I'm an old acquaintance of Obioban and old friend of p0lar - back when I lived in Montreal, Canada.
I had a 2005 e46 M3 that tracked regularly at Tremblant and Calabogie. Terrorized the GT3s at the Tremblant Club. Had a lot done to the car before I found it submerged in knee-high water from a flood. 😥
We were a bunch of kids and we made this rear seat delete from 5051 aluminum and as I rekindled my interest in cars (actually, the Supra atm - sorry!) I came across some pics and this cad info. Maybe it'll be of use to the community. I think p0lar would like this shared. Should have done it sooner.
Love seeing the M community and the car community grow! 🙂
If you see some old guy heel-toeing, karting like a maniac, making kids cry in Vancouver, come say hi! 😎
Last edited by MavJ; 09-28-2024, 04:22 PM.
- Likes 3
Comment

Comment